您好,欢迎访东莞市意米精密机械有限公司网站!
加入收藏 |
在线留言 |
返回首页
东莞市意米精密机械有限公司
Dongguan Yimi Precision Machinery Co., Ltd.
网站首页
关于意米
产品展示
生产实力
产品工艺
视频中心
新闻动态
资料下载
联系我们
意米产品分类
凸轮分割器
凸缘型DF系列
平台桌面型DA系列
平面桌面型DT系列
心轴型DS系列
升降摇摆型DH系列
平板型PU系列
油压分度盘
HCT-200油压分度盘
HCT-340油压分度盘
HCT-470油压分度盘
HCT-600油压分度盘
HCT-800油压分度盘
超清密齿盘旋转工作台SCT系列
尾座
联系我们
东莞市意米精密机械有限公司
地 址:东莞市长安镇沙头东大三街2号4栋
联系人:15024167380/何先生
Q Q:295380695
邮 箱:yimijixie@126.com
网 址:www.yimijixie.com
4
您的位置:
首页
->
产品展示
->
凸轮分割器
->
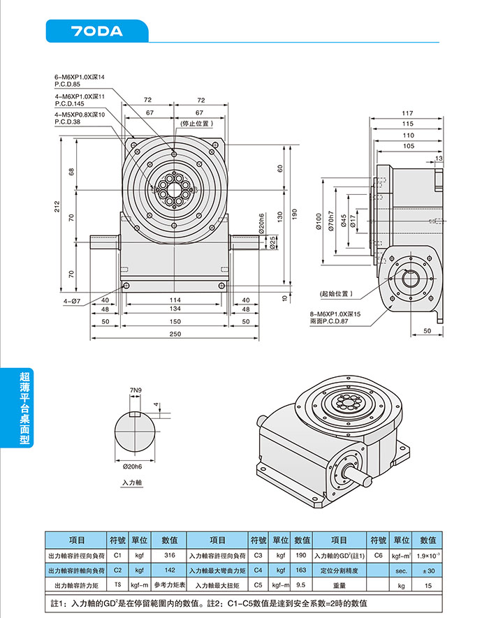
超薄平台桌面型
[查看原图片]
[返回]
[上一个:心軸型]
[下一个:凸轮分割器]
超薄平台桌面型
详情说明
网站首页
/
关于意米
/
产品展示
/
生产实力
/
产品工艺
/
视频中心
/
新闻动态
/
资料下载
/
联系我们
东莞市意米精密机械有限公司 版权所有
粤ICP备2021131802号
技术支持:
东莞网站建设
【
BMAP
】【
GMAP
】 [
后台管理
]
地 址:东莞市长安镇沙头东大三街2号4栋 联系人:150 2416 7380/何生 访问量:
*本站相关网页素材及相关资源均来源互联网,如有侵权请速告知,我们将会在24小时内删除* 【
百度统计
】
微信咨询
关注抖音